A. Diagram P – V

Siklus adalah suatu proses yang terjadi berulang – ulang secara kontinyu dan setiap proses tersebut merubah kondisi gas didalam ruang bakar.
Siklus dari suatu mesin diesel terdiri dari 4 (empat) tahapan yaitu ; pengisian, kompresi, usaha dan pembuangan.
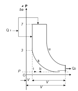
Diagram P – V menunjukkan hubungan antara volume ( V ) dengan tekanan ( P ) dalam silinder pada tiap siklus

Ket :
V 1 = volume silinder ( volume langkah + ruang bakar )
V 2 = volume ruang bakar
V 3 = volume langkah piston
P a = tekanan udara luar
i = proses pengisian udara sewaktu langkah hisap
k = proses kompresi diperlihatkan tekanan kompresi maksimum 35 bar, dilanjutkan dengan pembakaran sampai 75 bar
Q 1 = artinya terjadi penambahan energi yang cukup besar sewaktu terjadi pembakaran pada akhir langkah kompresi dan awal langkah usaha
u = garis yang memperlihatkan proses usaha
b = ( kearah kiri ) adalah proses pembuangan gas asap
Q 2 = daya yang dihasilkan
Ketentuan-ketentuan yang perlu diperhatikan bahwa :
- Pada diagram ini dianggap tidak ada kerugian aliran udara pada waktu langkah pengisian maupun langkah buang
- Dari diagram ini dapat dihitung besar tekanan indikator rata-rata yang mendorong piston yang besarnya tergantung luas
- Semakin besar luas diagram berarti semakin besar pula tekanannya, semakin besar pula daya Indikatornya
- Gambar diagram ini dianggap tidak ada kerugian ( keadaan ideal )
B. Diagram Indikator
Untuk mengetahui bagaimana proses perubahan tekanan didalam silinder itu terjadi mari kita perhatikan uraian berikut ini:

1. Langkah hisap
Piston bergerak dati TMA ke TMB oleh perputaran poros engkol dan secara praktis katup masuk terbuka sebelum mulai langkah hisap.
Volume didalam silinder akan bertambah, tekanan turun lebih kecil dari tekanan udara luar (vacuum) menyebabkan udara masuk kedalam silinder melalui katup isap
BACA JUGA: prinsip kerja motor bakar diesel
2. Langkah kompresi
Piston bergerak dari TMB ke TMA, katup masuk dan katup buang akan menutup, volume silinder mengecil dan temperatur dan tekanan udara kompresi akan bertambah. Pada akhir langkah kompresi mesin diesel tekanan dalam silinder ± 30 bar dan temperatur ± 550 C.
Beberapa saat sebelum akhir langkah kompresi bahan bakar diinjeksikan kedalam silinder, maka akan terjadi atomisasi bahan bakar didalam silinder karena semprotan bahan bakar yang sangat cepat.
Campuran terbentuk karena atomisasi atau uap bahan bakar dan udara panas akan dapat mengawali pembakaran. Pada waktu piston hampir mencapai TMA, campuran bahan bakar/udara didalam silinder akan terbakar dengan cepat.
3. Langkah usaha
Pada akhir langkah kompresi dan setelah terjadi pembakaran spontan, piston untuk kedua kalinya bergerak dari TMA ke TMB (langkah usaha)
Tekanan gas didalam silinder relatif tinggi sehingga piston didorong ke bawah, piston bergerak kebawah dan ruang didalam silinder bertambah, tekanan dan temperatur gas akan berkurang dengan cepat.
Energi panas akan diubah menjadi energi mekanik yang dapat memutar poros engkol.
4. Langkah buang
Sebelum piston mencapai TMB katup buang terbuka, sehingga gas pembakaran akan mengalir keluar melalui katup buang menuju saluran pembuangan selanjutnya ke udara luar.
Dengan terbukanya katup buang sebelum akhir langkah usaha, maka gas bekas akan mengalir keluar, pada waktu yang bersamaan piston kembali bergerak menuju TMA
Selama langkah buang, katup buang terbuka dan sisa gas bekas akan terdorong keluar oleh desakan piston. Karena tekanan didalam silinder lebih besar dibanding udara luar, maka diperlukan energi untuk menggerakkan piston, energi tersebut disuplai oleh Fly Wheel atau dari silinder lainnya.
BACA JUGA: prinsip kerja motor bakar diesel
C. Diagram PV Ideal

D. Diagram PV Riel


