Pelumasan adalah suatu sistem atau rangkaian pada kendaraan di mana pelumas ditampung, disedot, disaring, kemudian didistribusikan secara menyeluruh ke setiap bagian mesin. Media pelumas yang digunakan pada sistem ini adalah oli yang mampu masuk hingga ke celah mesin.
Fungsi Pelumasan


BACA JUGA : Langkah tes tekanan kompresi motor bakar
Macam- macam Sistem Pelumasan
Pelumasan Campur

Digunakan pada kebanyakan mesin stasioner 2 Tak yang kecil dan sepeda motor seperti : Vespa, Yamaha, Suzuki.
Sifat-sifat yang menonjol
- Selalu menggunakan oli baru, karena oli yang tercampur bensin ikut terbakar dan habis.
- Timbul polusi dari gas buang
- Pemakaian oli boros
- Kandungan oli 2 ÷ 4 % dari bensin ( menurut spesifikasi pabrik )
- Pelumasan campur digunakan hanya untuk motor 2 Tak.
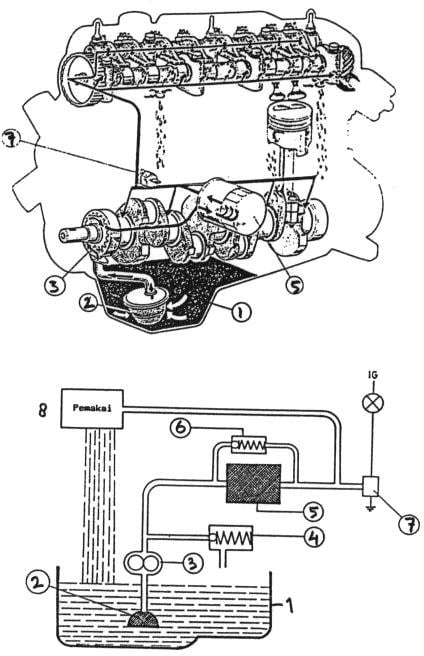
Pelumasan Tekan

Keterangan Gambar :
- Karter
- Saringan pompa
- Pompa oli
- Katup pelepas
- Saringan halus
- Katup by-pass
- Sakelar tekan
- pemakai
Sifat yang menonjol
- Digunakan pada motor Otto (bensin) dan Diesel 4 tak dan Diesel 2 Tak
- Oli perlu diganti pada kurun waktu tertentu
- Pelumasan kontinyu, teratur dan merata
Misal : Motor Otto (bensin), oli diganti setiap 10.000 Km Motor Diesel , oli diganti setiap 5.000 Km
OLI MESIN/MOTOR
Di pasaran banyak oli motor yang ditawarkan pabrik. Bagaimana menentukan oli yang sesuai untuk kebutuhan motor / engine ? Hal iItu dapat ditentukan melalui spesifikasi oli yang dapat dibaca pada tulisan yang menempel pada kaleng oli.
Spesifikasi Kekentalan (viskositas)
Spesifikasi ini mengikuti standar SAE (Society of Automotive Engineering )

Motor (engine) biasanya menggunakan oli SAE 40
a). Oli “multigrade”
Oli “multigrade” adalah oli yang telah diberi bahan aditif yang dapat meningkatkan kemampuan oli untuk tidak cepat encer bila suhunya naik dan tidak cepat beku pada temperatur rendah.

Penggunaan oli “multigrade” tidak lebih menguntungkan pada hawa yang perubahannya tidak banyak / merata seperti di Indonesia.
Spesifikasi Kualitas
Spesifikasi ini mengikuti standar API (American Petrolium Institute).

Oli yang biasa digunakan pada motor (Engine) :
Motor Otto (bensin) menggunakan oli dengan kualitas SC,SE Motor Diesel menggunakan oli dengan kualitas CC, CD
Contoh : oli Pertamina yang dapat memenuhi semua kebutuhan normal untuk motor bensin dan motor Diesel adalah Mesran B40 (SAE 40, API SE/ CC)
Interval penggantian oli motor
Motor bensin, oli diganti setiap 10‟000 km
Motor Diesel, oli diganti setiap 5‟000 km (lebih cepat kotor)
BACA JUGA : Langkah tes tekanan kompresi motor bakar

