Sistem penerangan dan sinyal adalah secara standar harus dimiliki oleh sebuah kendaran, termasuk sepeda motor, karena hal tersebut sangat diperlukan untuk keselamatan pengendara dan orang lain. Adapun fungsi system penerangan dan sinyal adalah sebagai penerangan jalan dan pemberi sinyal (tanda) kepada pengemudi dan orang lain untuk ketertiban dan keselamatan bersama.
Yang termasuk komponen system penerangan antara lain
Lampu kepala
Lampu kepala terletak di depan kendaraan yang berfungsi sebagai penerangan jalan sekaligus agar terlihat posisi kita oleh orang lain terutama pada malam hari.

Gambar. Lampu Kepala
Sistem lampu kepala terdiri dari lampu jauh dan lampu dekat, dimana lampu dekat digunakan sebagai penerangan jalan terutama pada malam hari sedangkan lampu jauh sering digunakan sebagai tanda pengganti klakson, antara lain ketika akan mendahului kendaraan lain. Perbedaan panjang sinar lampu kepala ( jauh dan dekat ) sangat terkait dengan konstruksi reflector dani titik apinya serta posisi nyala bohlamnya. Adapun reflektor merupakan cermin cekung yang berbentuk parabola fungsinya untuk memantulkan sinar lampu pijar, supaya sifat refleksi cukup baik maka permukaan reflektor dilapisi dengan alumunium. Hal ini dilakukan dengan melapisi pada bidang parabola dengan aluminium atau chrom melalui proses elektrolisa. Sedangakan Titik api adalah apabila sinar datang dari titik api maka sinar akan dipantulkan sejajar sumbu utama reflektor
BACA JUGA : arti kode angka pada ban kendaraan

Gambar. Pantulan sinar titik api
Keterangan
Jika sinar datang dari titik api A maka akan dipantulkan sejajar dengan sumbu reflector supaya satu reflektor dapat digunakan untuk lampu jauh dan dekat maka lampu kepala dibuat terdiri dari dua filament yang dikonstruksi secara kusus agar sinar masing-masing filament lampu sinarnya dapat memantul jauh atau dekat.

Gambar. Lampu 2 filamen a)Lampu dekat b)lampu jauh Keterangan
- Pada nyala lampu dekat filament terletak lebih ujung dari titik api dan pada bagian bawah filament diberi penutup yang bertujuan agar sinar filament hanya memantul ke atas menuju lengkungan reflector bagian atas sehingga arah pantulan cenderung kea rah bawah
- Pada nyala lampu jauh nyala filament terletak tepat pada titik api reflector sehingga sinar dipantulkan lurus dengan sumbu reflector.
Komponen Sistem lampu Kepala
Baterai
Sebagai sumber tegangan DC, umumnya mempunyai tegangan sebesar 12 Volt
Generator
Sebagai sumber tegangan AC, generator ini bekerja berdasarkan putaran mesin.
Kunci kontak
Berfungsi untuk menghubungkan sumber tegangan baterai dengan rangkaian
Saklar lampu kepala
Berfungsi untuk menghubungkan arus utama untuk mengaktifkan rangkaian lampu kepala
Saklar Dim
Berfungsi sebagai saklar pemindah lampu jauh dan lampu dekat.
Lampu indicator jauh
Sebagai tanda bagi pengendara bahwa lampu jauh sedang menyala.
Bola Lampu Kepala
Adalah komponen yang mengubah energy listrik menjadi energy panas berupa cahaya yang digunakan sebagai penerangan jalan kendaraan serta agar pengendara lain mengetahui posisi pengendara.
Jenis lampu untuk sepeda motor
- lampu Kawat (wolfram)
- lampu halogen
- Lampu Gas Discharge
- LED
Secara standar penyalaan lampu kepala secara otomatis sekaligus menyalakan lampu kota dan lampu panel, sehingga secara umum rangkaian lampu kota dan lampu panel adalah bagian dari rangkaian lampu kepala. Berdasarkan sumbernya, sistem lampu kepala pada sepedamotor terdiri dari dua macam yaitu system DC dan system AC.
BACA JUGA : arti kode angka pada ban kendaraan
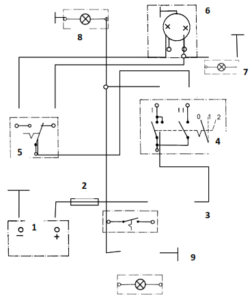
Sistem Lampu Kepala DC
Komponennya yaitu Baterai, sekering, kunci kontak, saklar lampu kepala, saklar dim dan lampu kepala.

Gambar. Rangkaian Lampu kepala DC
Keterangan
| 6. Lampu kepala
|

